info@mehprivod.ru
ООО Мехтехника
Тел.: 8 (800) 505-36-88

Электродвигатели Siemens типа 1LG

Электродвигатели Siemens типа 1LG

Типы электродвигателей Siemens 1LG - выпускаются мощностью от  11 до 200 кВт, габаритные характеристики находятся в пределах от 180 по 315. Разрабатываются и выпускаются для рационального выполнения приводных задач, характеризующихся высокими мощностями. Базовыми преимуществами электродвигателей Siemens 1LG выступают неизменно высокие показатели КПД, подтвержденное и доказанное в ходе проверок и тестов высокое качество сборки и объективная стоимость. Нельзя не подчеркнуть важность использования этого типа приводного оборудования в промышленных отраслях мирового значения. Как и весь процесс эксплуатации электродвигателя, его монтаж и наладка не требуют чрезмерно высоких затрат сил или средств. В ходе разработки Siemens 1LG базовым критерием выступала универсальность, позволяющая покупателям и заказчикам быть на все 100% уверенными в беспроблемности и долгосрочности использования электродвигателей. Возникающие вопросы всегда можно задать специалистам технического отдела, которые не только ответят на них, но и помогут с выбором оборудования.

Цена: от 69 100 руб.

Общее описание:

IMB3 габарит со 180M по 315L

IMB35 габарит со 180M по 315L

IMB3 габарит со 180M по 315L

IMB3 габарит со 180M по 315L

IMB35 габарит со 180M по 315L

IMB3 габарит со 180M по 315L
Дополнительная опция: клемная коробка сбоку (К10, К9)

P, (кВт)

Габарит

Тип

n,

(об/мин)

КПД, %

cosφ

I,(А)

M, (Н•м)

     

KL

Ј, ()

M, (кг)

8/4 пол, 750/1500 об/мин, 50Гц.

4.5

16

180M

1LG4183-0BB

725

1465

81.6

88.6

0.63

0.84

12.6

31

59

104

1.4

2.2

3.6

6.8

2.0

3.1

10

0.117

155

5

18.5

180L

1LG4186-0BB

725

1470

82.5

90.0

0.62

0.85

14.2

35

66

120

1.6

2.4

3.7

7.2

2.1

3.3

10

0.144

180

7.5

28

200L

1LG4207-0BB

730

1465

84.7

91.0

0.60

0.86

21.5

52

98

183

2.1

2.7

4.3

7.3

2.5

2.9

10

0.191

220

9.5

35

225S

1LG4220-0BB

738

1478

86.0

92.0

0.61

0.86

26

64

123

226

2.0

1.7

4.4

6.9

2.3

2.9

10

0.447

295

11.5

42

225M

1LG4223-0BB

738

1475

87.8

92.7

0.62

0.87

30.5

75

149

272

1.9

2.4

4.5

6.9

2.2

3.0

10

0.486

330

14.5

52

250M

1LG4253-0BB

740

1482

88.3

93.2

0.62

0.86

38

94

187

335

2.0

2.5

4.0

6.8

1.8

2.6

10

0.856

450

19

70

280S

1LG4280-0BB

742

1482

90.7

94.0

0.62

0.86

49

124

245

451

1.8

2.0

4.0

6.3

1.8

2.5

10

1.19

530

23

83

280M

1LG4283-0BB

742

1485

91.0

94.2

0.63

0.87

58

146

296

534

1.9

2.2

4.2

7.2

1.8

2.7

10

1.71

665

6/4 пол, 1000/1500 об/мин, 50Гц.

5.5

16

180M

1LG4183-1BD

960

1460

81.3

88.8

0.82

0.83

12

31.5

55

105

1.6

1.7

4.0

5.3

1.8

2.5

10

0.082

155

6.5

19

180L

1LG4186-1BD

960

1460

81.4

89.3

0.82

0.84

14

36.5

65

124

1.6

1.7

4.0

5.2

1.8

2.4

10

0.086

175

9.5

26

200L

1LG4207-1BD

975

1460

84.0

90.3

0.82

0.84

20

49

93

170

1.9

1.7

5.0

5.1

2.2

2.4

10

0.151

235

12

34

225S

1LG4220-1BD

980

1465

86.2

90.8

0.82

0.85

24.5

63

117

222

2.3

1.7

5.7

5.6

2.1

2.3

10

0.295

285

14.5

40

225M

1LG4223-1BD

980

1470

88.0

92.2

0.82

0.86

28.5

72

141

260

2.2

1.9

5.6

5.8

2.1

2.3

10

0.378

340

18

52

250M

1LG4253-1BD

980

1475

88.7

93.3

0.83

0.87

34

91

175

337

2.0

2.0

4.9

5.9

2.0

2.7

10

0.447

380

25

70

280S

1LG4280-1BD

982

1478

89.3

92.4

0.86

0.88

47

124

243

452

2.1

2.2

5.0

6.2

1.9

2.6

10

1.19

540

30

82

280M

1LG4283-1BD

984

1480

90.3

93.0

0.86

0.86

56

148

291

529

2.5

2.4

5.5

6.6

2.2

2.8

10

1.39

580

ТАБЛИЦА 1. Технические характеристики для многоскоростных электродвигателей Siemens серии 1LG4

P, (кВт)

Габа-рит

Тип

n,

(об/мин)

КПД, %

cosφ

I,(А)

M, (Н•м)

   

KL

Ј, ( )

M, (кг)

2 пол, 3000 об/мин, 50Гц.

22

180L

1LG6 183-2AA

2955

94.1

0.88

38.5

71

2.5

7.2

3.4

16

0.066

180

30

200L

1LG6 206-2AA

2960

93.5

0.88

53

97

2.4

7.0

3.3

16

0.151

225

37

200L

1LG6 207-2AA

2960

94.1

0.89

64

119

2.5

7.2

3.3

16

0.182

255

45

225M

1LG6 223-2AA

2965

94.9

0.89

77

145

2.5

7.3

3.2

16

0.266

330

55

250M

1LG6 253-2AA

2975

95.3

0.90

93

177

2.4

6.8

3.0

16

0.466

420

75

280S

1LG6 280-2AA

2975

95.2

0.89

128

241

2.5

7.0

3.0

16

0.832

530

90

280M

1LG6 283-2AA

2978

95.6

0.90

150

289

2.6

7.6

3.1

16

1.00

615

110

315S

1LG6 310-2AA

2982

95.8

0.91

182

352

2.4

6.9

2.8

16

1.39

790

132

315M

1LG6 313-2AA

2982

96.0

0.91

220

423

2.6

7.1

2.9

16

1.62

915

160

315L

1LG6 316-2AA

2982

96.4

0.91

260

512

2.5

7.1

2.9

16

2.09

1055

200

315L

1LG6 317-2AA

2982

96.5

0.92

320

641

2.5

6.9

2.8

16

2.46

1245

4 пол, 1500 об/мин, 50Гц.

18.5

180M

1LG6 183-4AA

1470

92.6

0.83

34.5

120

2.5

6.4

3.0

16

0.122

155

22

180L

1LG6 186-4AA

1470

93.2

0.84

40.5

143

2.5

6.7

3.1

16

0.144

180

30

200L

1LG6 207-4AA

1470

93.3

0.85

55

195

2.6

6.7

3.3

16

0.234

225

37

200L

1LG6 220-4AA

1480

94.0

0.85

67

239

2.7

6.8

3.0

16

0.398

290

45

225S

1LG6 223-4AA

1485

94.5

0.85

81

290

2.8

6.9

3.0

16

0.496

330

55

250M

1LG6 253-4AA

1485

95.1

0.87

96

354

2.6

7.5

3.0

16

0.856

460

75

280S

1LG6 280-4AA

1486

95.1

0.87

130

482

2.5

6.8

2.9

16

1.39

575

90

280M

1LG6 283-4AA

1488

95.4

0.86

158

578

2.7

7.5

3.1

16

1.71

675

110

315S

1LG6 310-4AA

1488

95.9

0.87

190

706

2.7

7.1

2.9

16

2.31

810

132

315M

1LG6 313-4AA

1488

96.1

0.88

225

847

2.7

7.3

2.9

16

2.88

965

160

315L

1LG6 316-4AA

1490

96.3

0.88

275

1026

3.0

7.4

3.0

16

3.46

1105

200

315L

1LG6 317-4AA

1490

96.4

0.88

340

1282

3.2

7.6

3.0

16

4.22

1305

6 пол, 1000 об/мин, 50Гц.

15

180L

1LG6 186-6AA

975

90.9

0.81

29.5

147

2.4

5.5

2.5

16

0.203

175

18.5

200L

1LG6 206-6AA

978

91.2

0.81

36

181

2.4

5.6

2.4

16

0.285

210

22

200L

1LG6 207-6AA

978

91.9

0.82

42

215

2.4

5.6

2.4

16

0.362

240

30

225S

1LG6 223-6AA

980

93.2

0.83

56

292

2.8

6.5

2.9

16

0.629

325

37

250M

1LG6 253-6AA

985

93.7

0.83

69

359

2.9

6.8

2.5

16

0.934

405

45

280S

1LG6 280-6AA

988

94.4

0.85

81

435

3.0

6.8

2.7

16

1.37

520

55

280M

1LG6 283-6AA

988

94.6

0.85

99

532

3.3

7.3

2.9

16

1.65

570

75

315S

1LG6 310-6AA

990

95.0

0.83

138

723

2.8

7.3

3.0

16

2.50

760

90

315M

1LG6 313-6AA

990

95.3

0.85

160

868

2.7

7.3

2.9

16

3.20

935

110

315L

1LG6 316-6AA

990

95.6

0.85

196

1061

2.9

7.4

2.9

16

4.02

1010

132

315L

1LG6 317-6AA

990

95.8

0.85

235

1273

3.1

7.8

3.1

16

4.71

1180

8 пол, 750 об/мин, 50Гц.

11

180L

1LG6 186-8AB

725

88.7

0.76

23.5

145

1.9

4.6

2.2

13

0.206

165

15

200L

1LG6 207-8AB

725

89.3

0.80

30.5

198

2.3

5.3

2.6

13

0.357

235

18.5

225S

1LG6 220-8AB

730

91.1

0.81

36

242

2.3

5.6

2.6

13

0.551

295

22

225M

1LG6 223-8AB

730

91.6

0.81

43

288

2.4

5.8

2.8

13

0.658

335

30

250M

1LG6 253-8AB

735

92.8

0.82

57

390

2.5

6.0

2.8

13

1.06

435

37

280S

1LG6 280-8AB

738

93.1

0.81

71

479

2.3

5.7

2.3

13

1.35

510

45

280M

1LG6 283-8AB

738

93.7

0.81

86

582

2.6

6.1

2.5

13

1.63

560

55

315S

1LG6 310-8AB

740

94.3

0.82

102

710

2.5

6.3

2.9

13

2.48

750

75

315M

1LG6 313-8AB

740

94.5

0.83

138

968

2.5

6.7

2.9

13

3.14

840

90

315L

1LG6 316-8AB

740

94.7

0.84

164

1161

2.4

6.3

2.8

13

3.95

1005

110

315L

1LG6 317-8AB

740

94.8

0.84

200

1420

2.4

6.4

2.6

13

4.52

1100

ТАБЛИЦА 2. Технические характеристики электродвигателей Siemens серии 1LG6

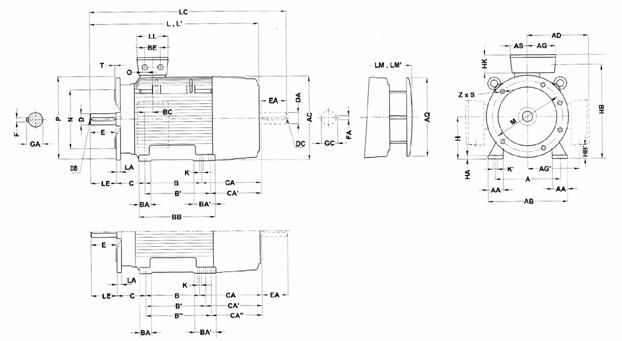
Габаритные и присоединительные размеры 1LG4 (лапы. 180M-315L)

РИС 1. Габаритные и присоединительные размеры 1LG4 (лапы. 180M-315L)

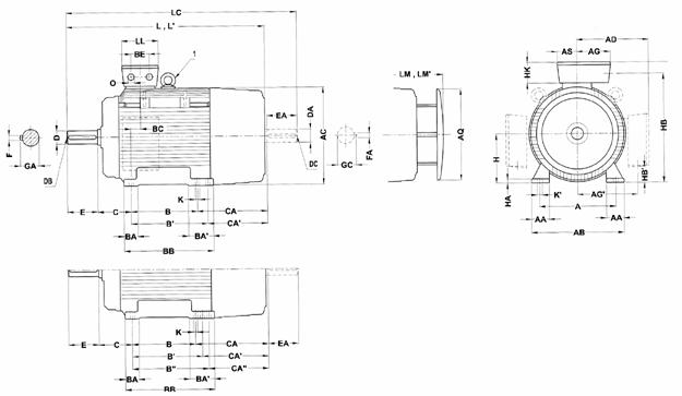
Габаритные и присоединительные размеры 1LG4 (фланец. 180M-315L)

ТАБЛИЦА 3.

Габаритные и присоединительные размеры 1LG4 (лапы. 180M-315L)

ТАБЛИЦА 4.

Габаритные и присоединительные размеры 1LG4 (фланец. 180M-315L)

РИС 2. Габаритные и присоединительные размеры 1LG4 (фланец. 180M-315L)

Габаритные и присоединительные размеры 1LG4 (фланец. 180M-315L)

ТАБЛИЦА 5.

Габаритные и присоединительные размеры 1LG4 (фланец. 180M-315L)

ТАБЛИЦА 6.

Габаритные и присоединительные размеры 1LG4 (лапы-фланец 180M-315L)

РИС 3. Габаритные и присоединительные размеры 1LG4 (лапы-фланец 180M-315L)

Габаритные и присоединительные размеры 1LG4 (лапы-фланец 180M-315L)

ТАБЛИЦА 7.

Технические характеристики 1LG